هندسة، عمارة وتصميم داخلي
دعوة للعمل
أضف إلى المفضلة
تبليغ عن محتوى
Mohamed W.
مستقل
مهندس مدني
الملف الشخصي
معرض الأعمال
دعوة للعمل
أضف إلى المفضلة
تبليغ عن محتوى
نبذة عني
مهندس مدني
مهاراتي
مايكروسوفت وورد
مايكروسوفت إكسل
تحويل PDF
الكتابة على الإنترنت
تصميم دعوات
باوربوينت
البحث والتطوير
خدمة العملاء
ووردبريس
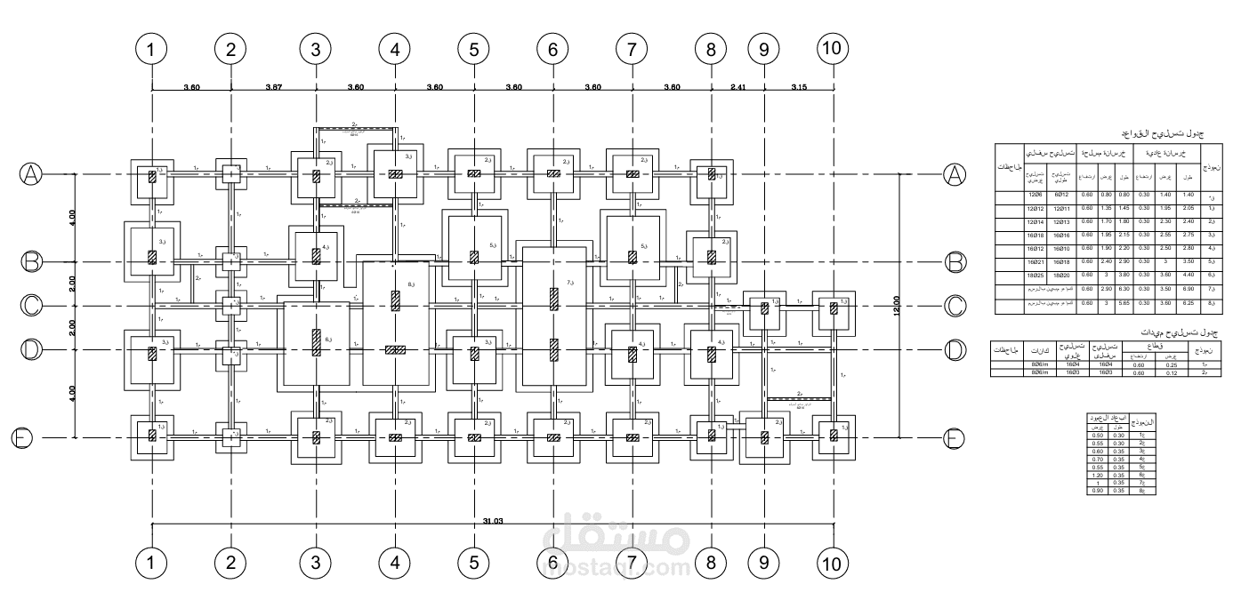
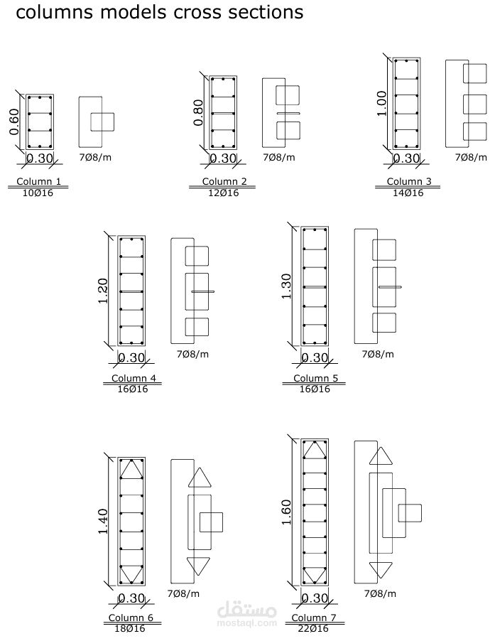
لوحة تفاصيل للاعمدة
15
لوحة سقف (solid slab)
22
لوحة قواعد (منفصلة و شريطية )
90
sap designer
29
primavera projects
26
excel projects
16
إحصائيات
التقييمات
(0)
إكمال المشاريع
لم يحسب بعد
التسليم بالموعد
لم يحسب بعد
إعادة التوظيف
لم يحسب بعد
نجاح التواصلات
لم يحسب بعد
متوسط سرعة الرد
5 ساعات و 42 دقيقة
تاريخ التسجيل
02 أبريل 2021
آخر تواجد
منذ
10 أشهر
توثيقات
البريد الإلكتروني
رقم الجوال
الهوية الشخصية
أوسمة
×