نبذة عني

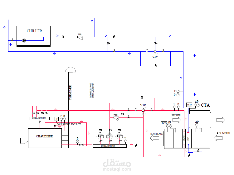
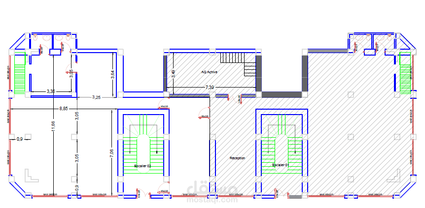
أنا تقني متخصص بخبرة قوية في الصيانة والميترولوجيا (القياس والمعايرة)، وأقدم خدمات احترافية في التصميم والرسم الهندسي باستخدام AutoCAD. أعمل على إعداد مخططات أنظمة التكييف (HVAC)، ومخططات P&ID (مخططات الأنابيب وأجهزة القياس والتحكم)، ومخططات PFD (مخططات تدفق العمليات).

بفضل خبرتي العملية في المجال الصناعي، أمتلك فهماً عميقاً للمعايير التقنية، وطبيعة عمل المعدات، ومتطلبات التنفيذ على أرض الواقع، مما يسمح لي بتقديم رسومات دقيقة، عملية، ومتوافقة مع المعايير الصناعية.

إحصائيات

التقييمات  (0)
إكمال المشاريع
التسليم بالموعد
إعادة التوظيف
نجاح التواصلات
متوسط سرعة الرد لم يحسب بعد
تاريخ التسجيل
آخر تواجد منذ

توثيقات

البريد الإلكتروني رقم الجوال
الهوية الشخصية