
السلام عليكم
أنا نور مصممة جرافيك متخصصة في تصميم الشعارات(لوغو) والهوية البصرية (التجارية)بنمط مبتكر ومميز يساير أحدث التطورات في مجال التصميم
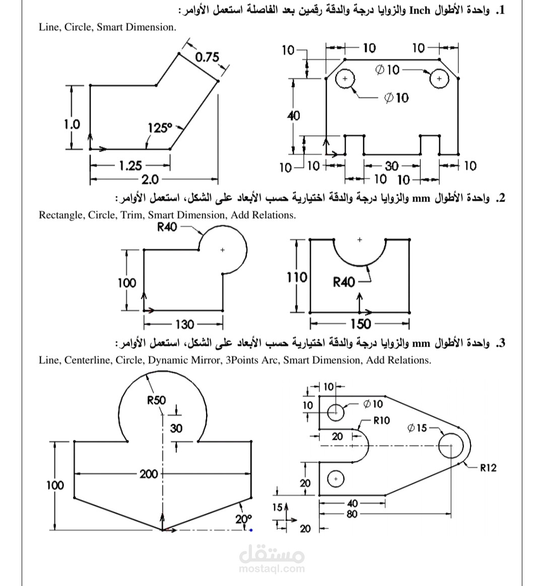
وأعمل في مجال الهندسة الميكانيكية وأصمم أشكال هندسية ثلاثية الأبعاد 3D على تطبيق SolidWorks ومحترفة ودقيقة جداً وبدقة عالية
مميزات الخدمة:
عمل عالي الجودة
سرعة في الرد
سرعة في التنفيذ
سرعة في التسليم
#تصميم شعارات
#تصميم الهوية البصرية التجارية الكاملة
#تصميم أفكار مبدئية قبليه للتصميمات
#تصميم أفكار إبداعية أصلية بأفكار مبتكره ومحّدثه
#تصاميم هندسية ثلاثية الأبعاد3D
#تناسق في الألوان طبقاً للمعايير نظرية الألوان
#تعديلات لانهائية حتى الرضى
تكلفة مناسبة ومعقولة بدون مبالغة
أنا مستعدة لاستقبال أفكاركم ومقترحاتكم لتطويرها وإخراجها بأقصى مايمكن من الإبداع
مع تحياتي