نبذة عني

أنا المهندسة غزل .. مهندسة طاقة كهربائية

اعمل في مجال الطاقة الشمسية و من حسابات و تصميم مخططات و القيام بالدراسة الكاملة لها

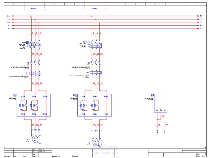
و اعمل في رسم مخططات التحكم للوحات الكهربائية مع شرح كامل عنها

و أيضاً تصميم مخططات التيار القوي للمنشآت من حساب أحمال و رسم الفرش المطلوب و تصميم مخططات الخط الواحد و مخطط riser و غيره

إحصائيات

التقييمات  (0)
إكمال المشاريع
التسليم بالموعد
إعادة التوظيف
نجاح التواصلات
متوسط سرعة الرد لم يحسب بعد
تاريخ التسجيل
آخر تواجد منذ

توثيقات

البريد الإلكتروني رقم الجوال
الهوية الشخصية