نبذة عني

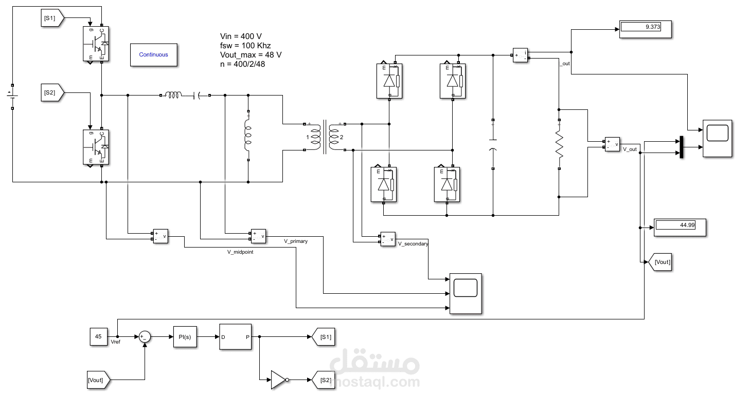
أنا عمر تخرجت من كلية الهندسة جامعة الإسكندرية قسم هندسة القوى والآلات الكهربية أعمل فى مجال تصميم الدوائر الإلكترونية والدوائر المطبوعة PCB ولدي خبرة فى مجال إلكترونيات القوى Power Electronics وعملت على أكثر من مشروع يحتوى على العديد من Converters مثل DC-DC, AC-DC and DC-AC بمختلف Topologies ولدى خبرة بالعديد من Communication Protocols مثل UART, I2C, SPI, USB, Ethernet, CAN, RS485 and RS232 وأجيد ايضا العديد من برامج المحاكاه مثل MATLAB Simulink, LTspice, Pspice, Plecs and Multism وأيضا أجيد برنامج تصميم الدوائر Altium Designer فقد صممت عليه Multilayer PCB upto 6 layers. أستطيع تصميم دائرتك من الألف الى الياء وفقا لقواعد EMC لتقليل EMI وتحسين كلا من Signal and Power Integritu من بداية فكرة المشروع مرورا باختيار العناصر المكونة للدائرة ثم عمل مخطط الدائرة واجراء المحاكاه للتأكد من أنها تؤدي الوظيفة ثم تصميمها على Altium وصولا لإستخراج ملفات التصنيع الخاصة بها طبقا لقدرات المصنع الذي تختارة.

أستطيع أيضا مساعدة الطلاب فى مشاريعهم عن طريق شرح بعض المفاهيم الهندسية الخاصة بالهندسة الكهربية عموما والدوائر الكهربية وتصنيع PCB تحديدا.

التقييمات

الاحترافية بالتعامل
 5.0
التواصل والمتابعة
 5.0
جودة العمل المسلّم
 5.0
الخبرة بمجال المشروع
 5.0
التسليم فى الموعد
 5.0
التعامل معه مرّة أخرى
 5.0

آراء العملاء

إحصائيات

التقييمات  (1)
إكمال المشاريع
التسليم بالموعد
إعادة التوظيف
نجاح التواصلات
متوسط سرعة الرد 7 ساعات و 20 دقيقة
المشاريع المكتملة 1
تاريخ التسجيل
آخر تواجد منذ

توثيقات

البريد الإلكتروني رقم الجوال
الهوية الشخصية

أوسمة

  • مستخدم منذ 8 سنوات