نبذة عني

عنوان الخدمة:

استشارات هندسية وصيانة كهربائية لمصانع الزجاج والدوائر الصناعية ومولدات الغاز

وصف الخدمة:

أنا مهندس أول كهرباء بخبرة واسعة في تشغيل وصيانة المصانع والدوائر الكهربائية الصناعية، مع خبرة متخصصة في:

مصانع تشكيل الزجاج وماكينات الغسيل، بما في ذلك:

Bottero machines

ماكينات Cutting وDouble Glass

خطوط Silicon وLamination

ماكينات Washing Machines للزجاج

مولدات الغاز MWM: تشغيل وصيانة كاملة

الخدمة تشمل:

صيانة وإصلاح دوائر Control & Power لجميع الماكينات الصناعية والمولدات.

صيانة وتشغيل خطوط L.V وM.V لضمان استمرارية العمل وكفاءة المعدات.

تشغيل وصيانة مولدات الغاز MWM بأعلى كفاءة.

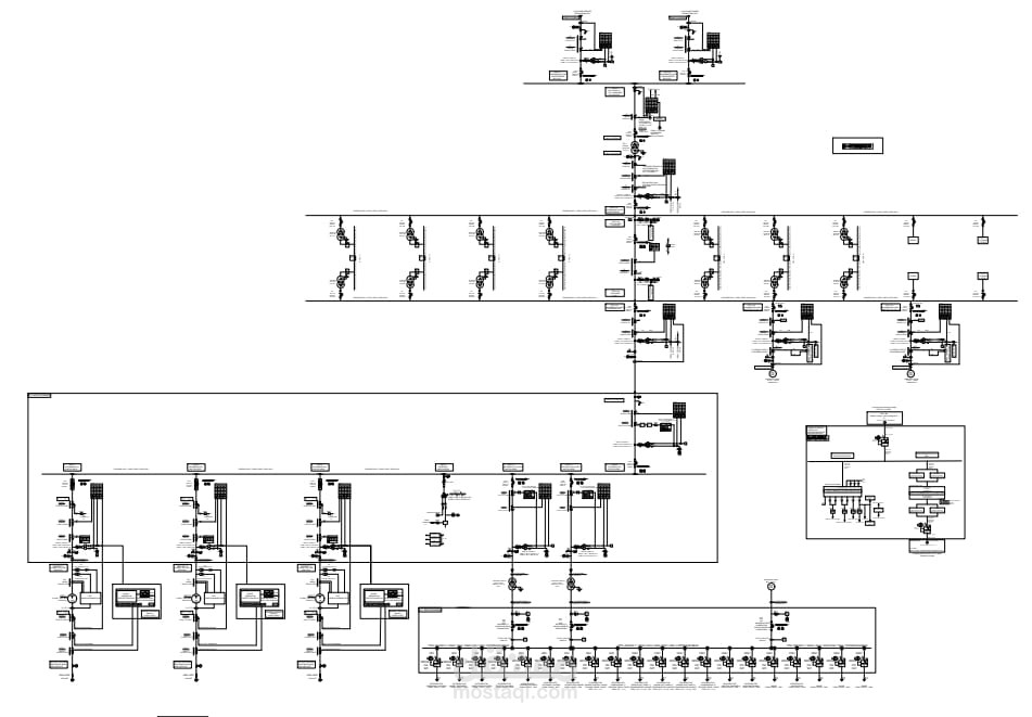
إعداد وتحليل رسومات كهربائية ومخططات التحكم لتسهيل الصيانة والتشغيل.

تحسين أداء المعدات وتقليل الأعطال لتقليل توقف الإنتاج.

إعداد تقارير فنية دقيقة وتحليلات أعطال مع حلول عملية للتنفيذ.

خيارات إضافية:

رسومات كهربائية مفصلة (CAD أو PDF)

متابعة الأعطال أو تقديم حلول تنفيذية

اقتراح تحسينات على دوائر الكنترول والباور والمولدات

إحصائيات

التقييمات  (0)
إكمال المشاريع
التسليم بالموعد
إعادة التوظيف
نجاح التواصلات
متوسط سرعة الرد لم يحسب بعد
تاريخ التسجيل
آخر تواجد منذ

توثيقات

البريد الإلكتروني رقم الجوال
الهوية الشخصية