تفاصيل العمل

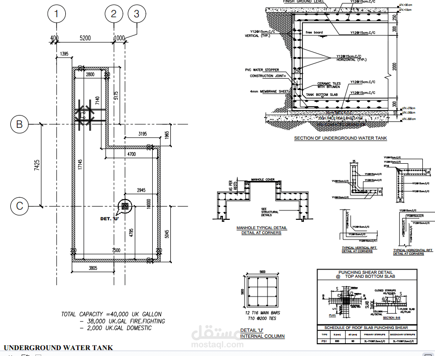
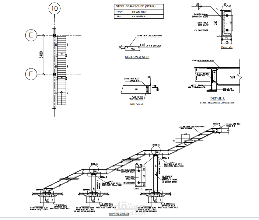
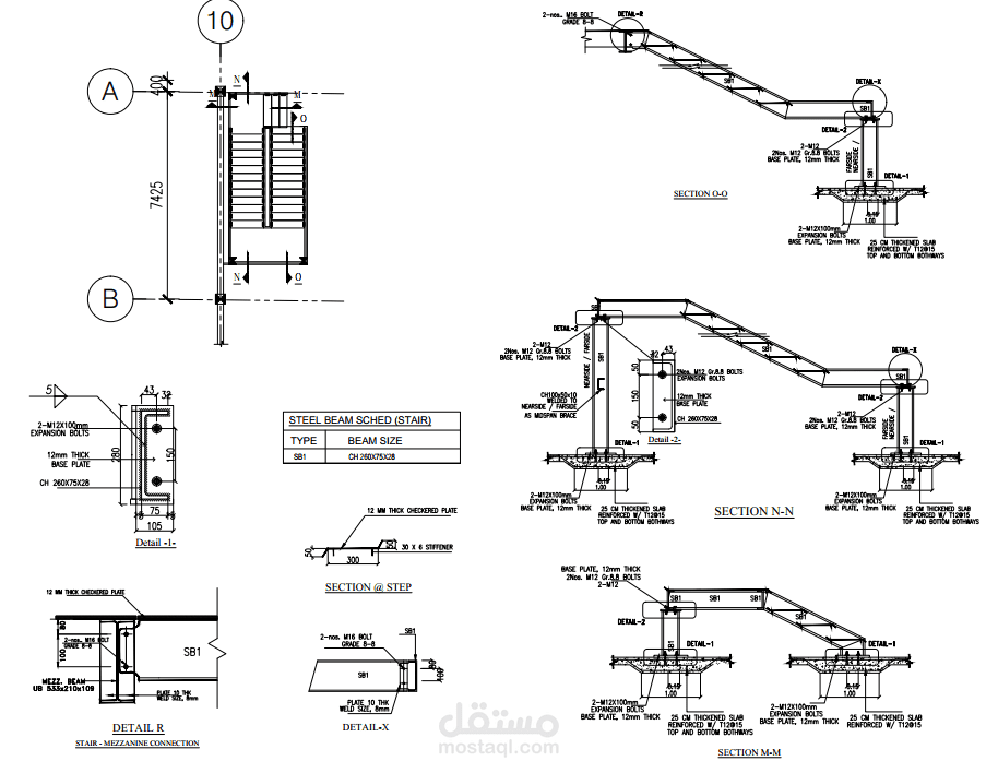
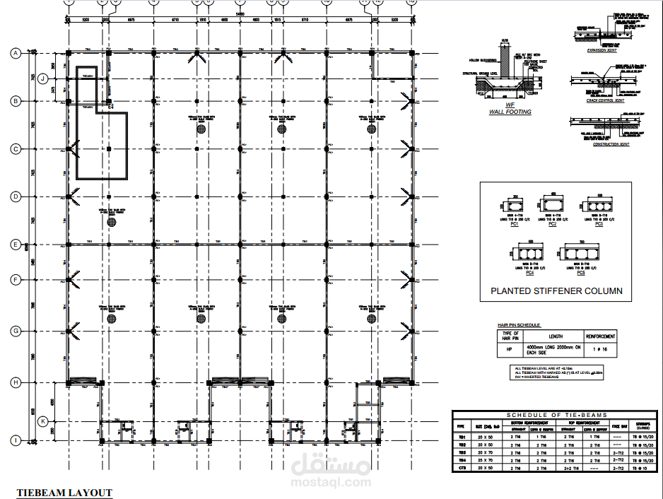
لقد قمت بالتصميم الانشائي ل هنكار معدني ابعاده 53متر*60متر بارتفاع 10.8متر وتمت ضمن المواصفات والشروط المطلوبة ومطابقة للسلامة الانشائية وفق الكود الامريكي AISC360.16 وتمت الدراسة على برنامج STAAD PROودرست الوصلات المعدنية على برنامح LIMCON وIDEASTATICA

بطاقة العمل

اسم المستقل
عدد الإعجابات
0
عدد المشاهدات
129
تاريخ الإضافة
تاريخ الإنجاز
المهارات