الرئيسية
المستقلين
Anas T.
معرض الأعمال
اطلب عمل مماثل
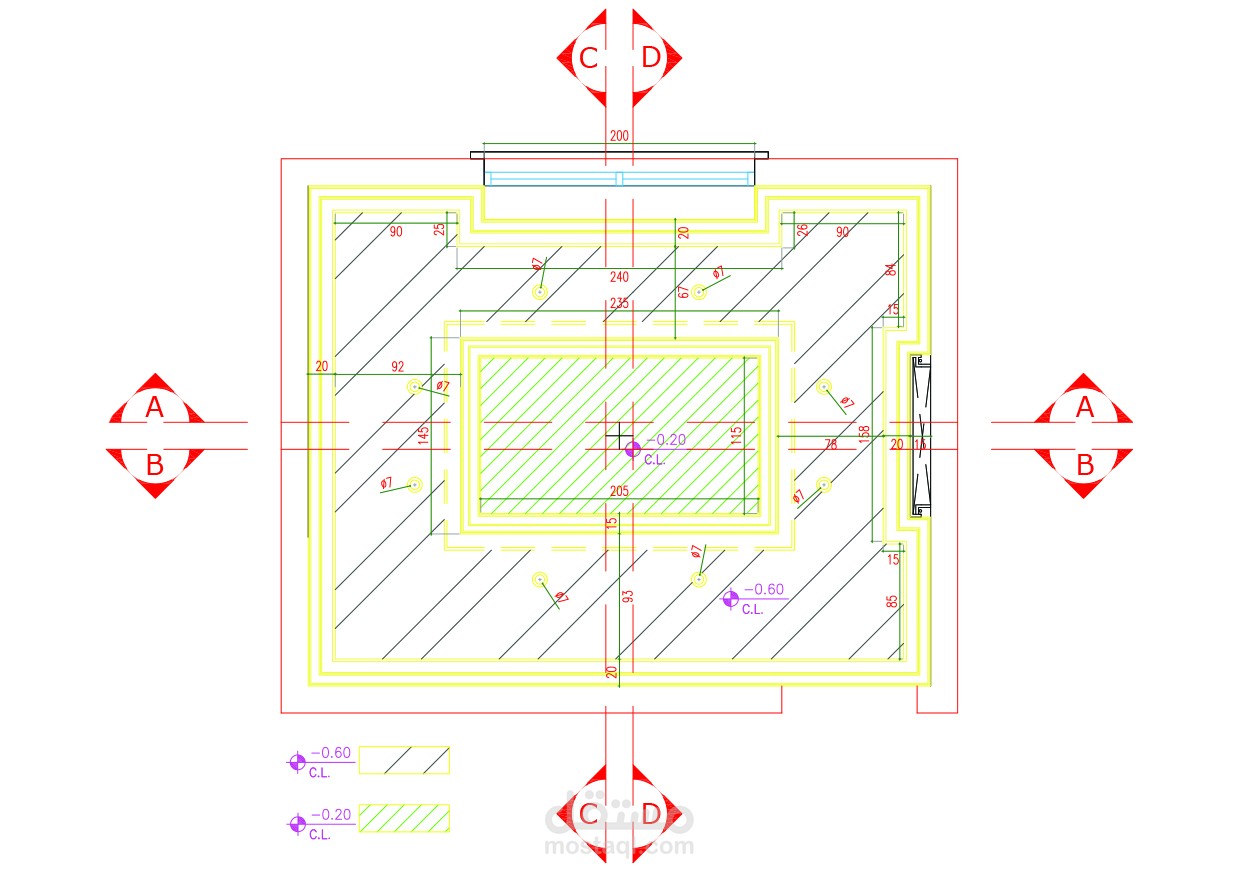
SHOP DRAWING MAIN MAJLIS
تفاصيل العمل
SHOP DRAWING MAIN MAJLIS
بطاقة العمل
اسم المستقل
Anas T.
عدد الإعجابات
1
عدد المشاهدات
86
تاريخ الإضافة
04/07/2022
تاريخ الإنجاز
04/07/2022
المهارات
تصميم 3D
3ds Max
التصميم الإبداعي
تصميم داخلي
فوتوشوب
أوتوكاد
اللغة العربية
تصميم ديكور
×