تفاصيل العمل

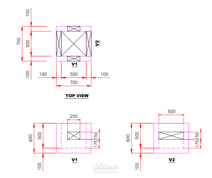
تم إدخال المنهول علي برنامج التحليل الإنشائي الساب وإستخراج النتائج وتصميمه حتي نتأكد من سلامته و تسليح المنهول بالتسليح الامن و تزويد العميل بنوته حسابية شاملة كل الحسابات و التصميم و إعتمادها من الإستشاري و تم تنفيذه فعليا ورسمه علي برنامج الأوتوكاد

بطاقة العمل

اسم المستقل
عدد الإعجابات
0
عدد المشاهدات
531
تاريخ الإضافة
تاريخ الإنجاز
المهارات