الرئيسية
المستقلين
يوسف م.
معرض الأعمال
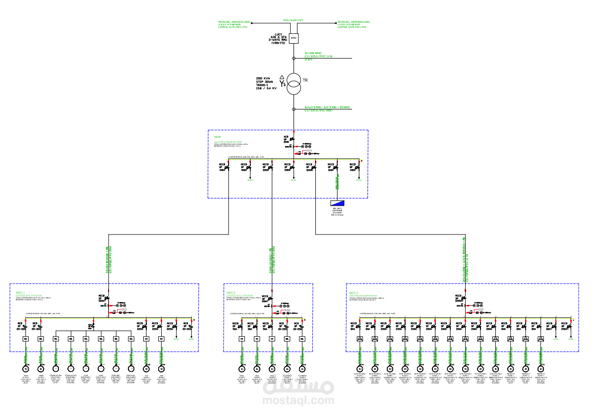
Single Line Diagram
معرض الأعمال
اطلب عمل مماثل
تفاصيل العمل
مخطط الكهرباء الأحادي لمحطة تحلية مياه 6000 m3/d
بطاقة العمل
اسم المستقل
يوسف م.
عدد الإعجابات
0
عدد المشاهدات
69
تاريخ الإضافة
08/10/2021
×