تفاصيل العمل

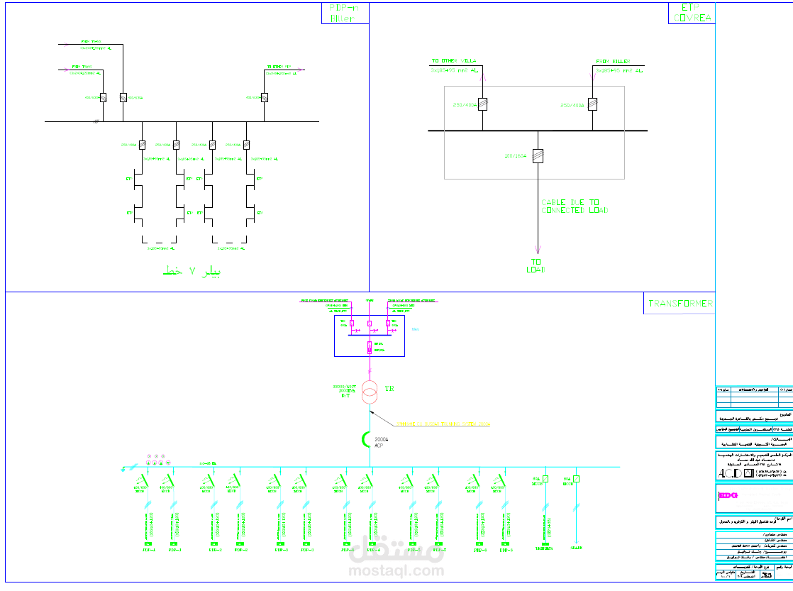
Electrical LV and MV design

-Voltage drop calculations

-BOQ

-SLD

-Power balance calculations

-Dialux design and calculations

-Pillars and Transformers sizing

بطاقة العمل

اسم المستقل
عدد الإعجابات
0
عدد المشاهدات
61
تاريخ الإضافة