تفاصيل العمل

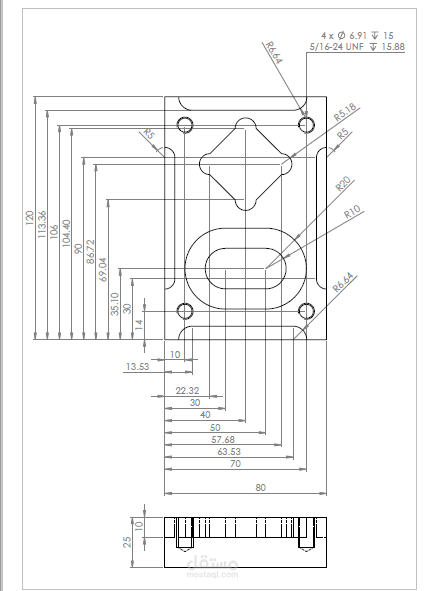
في هذا المشروع تم الحفر على قطعتين من البلاستيك باستخدام ماكينة الcnc وتم تطبيق مبدأ مقدار الخطأ (tolerance) عليهما من أجل أن يصبحا قطعة واحدة متكاملة يسهل فكهما وتركيبهما

بطاقة العمل

اسم المستقل
عدد الإعجابات
0
عدد المشاهدات
74
تاريخ الإضافة
تاريخ الإنجاز
المهارات