الرئيسية
المستقلين
Esraa S.
معرض الأعمال
اطلب عمل مماثل
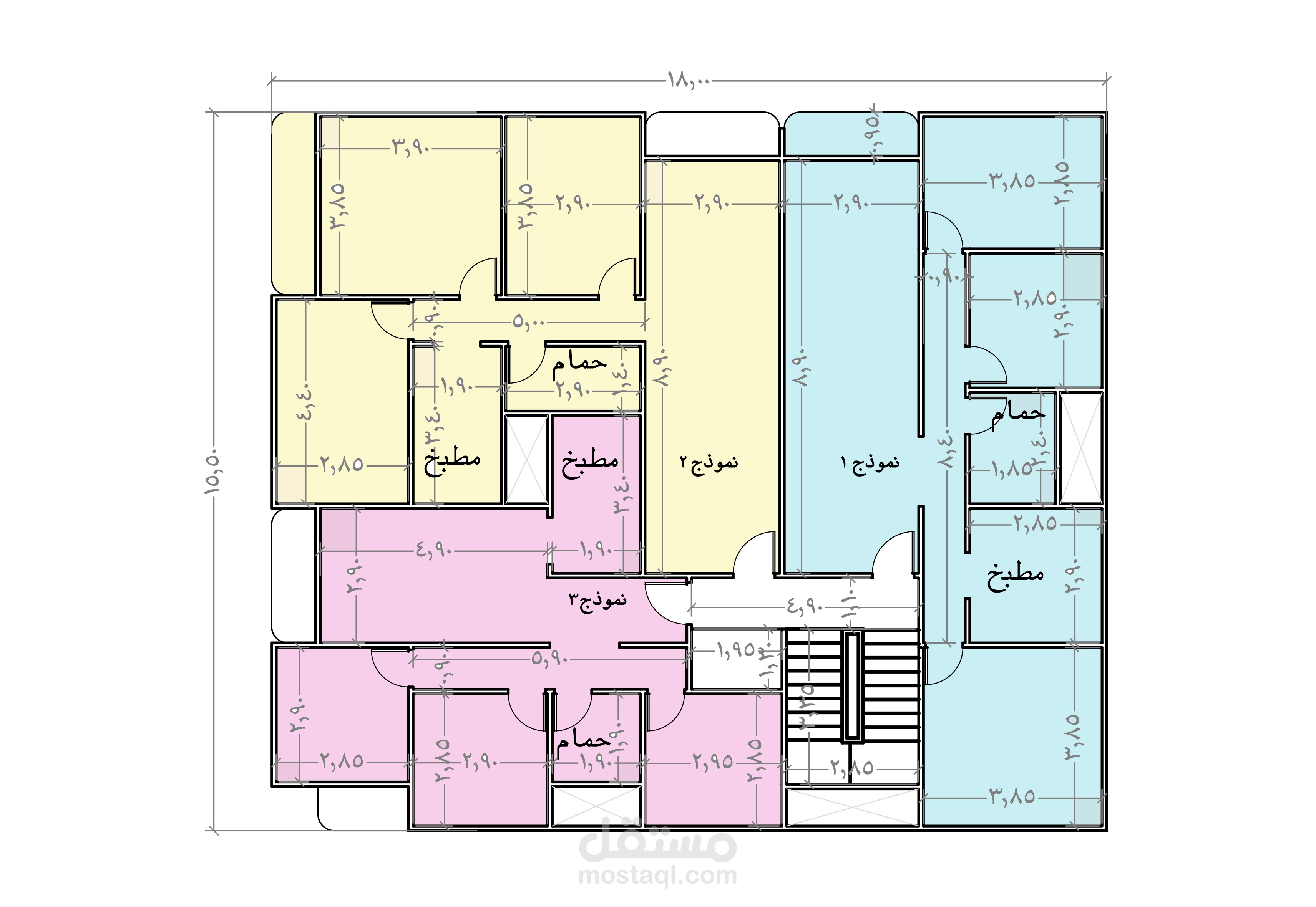
مسقط افقي لعمارة سكنية
تفاصيل العمل
مسقط افقي لعمارة سكنية مقسمة لكل شقة بلون مختلف ومراعاة العمدة و وزن العمارة مع الارض
بطاقة العمل
اسم المستقل
Esraa S.
عدد الإعجابات
0
عدد المشاهدات
1714
تاريخ الإضافة
29/10/2020
تاريخ الإنجاز
01/10/2019
المهارات
فوتوشوب
أوتوكاد
رسم يدوي
×