تفاصيل العمل

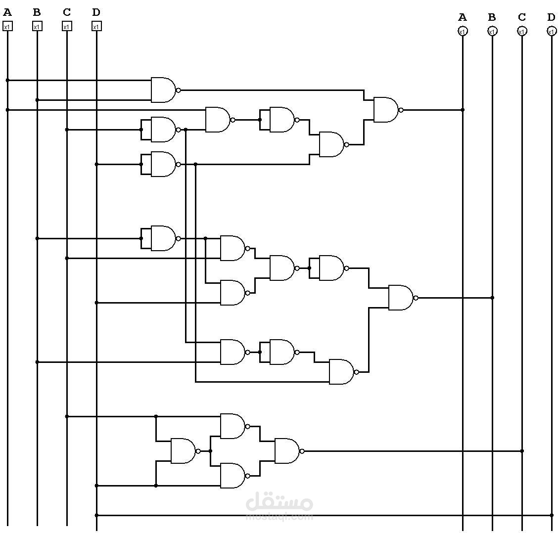
Designed and implemented an 8421 BCD to 7-Segment Decoder to drive a common-cathode display. The circuit converts 4-bit BCD input into the appropriate segment control signals to display decimal digits (0–9). Verified correct segment activation through simulation and hardware testing.

بطاقة العمل

اسم المستقل
عدد الإعجابات
0
عدد المشاهدات
5
تاريخ الإضافة
تاريخ الإنجاز
المهارات