تفاصيل العمل

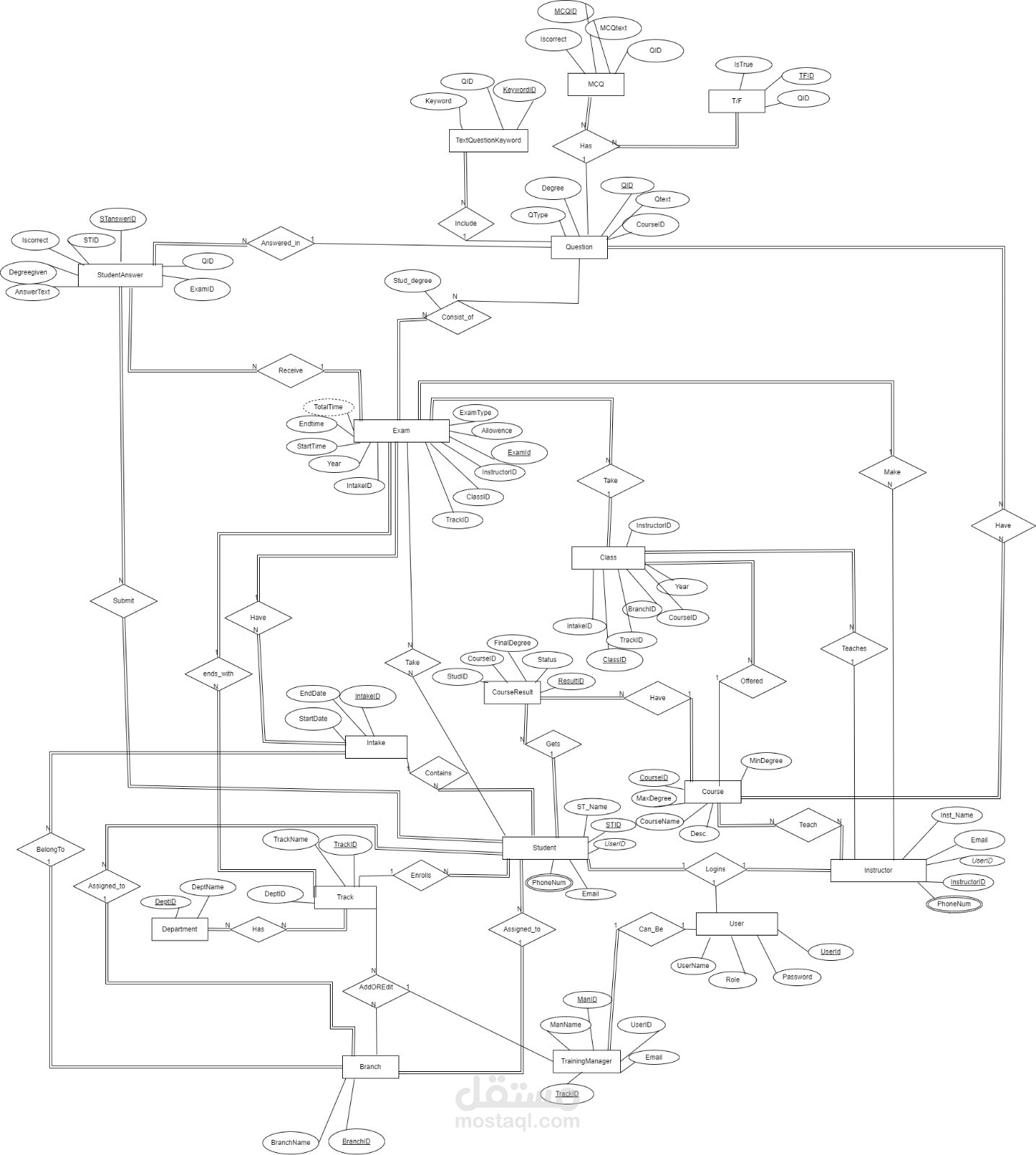
This project is a production-style Examination Management System built using Microsoft SQL Server. It simulates a real academic environment and demonstrates advanced skills in relational database design, normalization, and analytical reporting.

The system manages the full academic structure including Departments, Tracks, Branches, and Intakes. It supports course and instructor assignments, class scheduling, exam creation, question bank management (MCQ , True/False and Text), and student exam participation with scoring.

ملفات مرفقة

بطاقة العمل

اسم المستقل
عدد الإعجابات
0
عدد المشاهدات
13
تاريخ الإضافة
تاريخ الإنجاز
المهارات