الرئيسية
المستقلين
Walid A.
معرض الأعمال
اطلب عمل مماثل
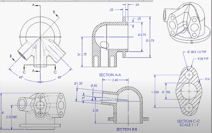
solid part
تفاصيل العمل
جزء ميكانيكي تم رسمة بواسطة برنامج السوليد ورك
بطاقة العمل
اسم المستقل
Walid A.
عدد الإعجابات
0
عدد المشاهدات
4
تاريخ الإضافة
07/01/2026
تاريخ الإنجاز
12/11/2025
المهارات
التصميم الإبداعي
سوليدووركس
×