وحدة العمليات الحسابية والمنطقية (ALU)

تفاصيل العمل

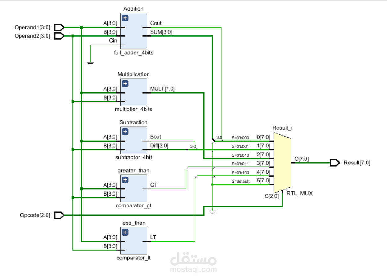
تم في هذا العمل تصميم دائرة وحدة العمليات الحسابية والمنطقية (ALU) بسعة bit-4 باستخدام لغة VHDL. الـ ALU هي دائرة رقمية أساسية داخل أي معالج، وتستخدم لتنفيذ العمليات الحسابية مثل الجمع والطرح والضرب، بالإضافة إلى بعض العمليات المنطقية.

تستقبل الـ ALU مدخلين كل منهما 4-bit بالإضافة إلى مدخل ثالث (Opcode) من 3 bit يحدد نوع العملية المراد تنفيذها. بناءً على قيمة الـ Opcode تقوم الدائرة بإجراء العملية وتخرج النتيجة بـ 8-bit.

العمليات المدعومة هي الجمع، الطرح، الضرب، أكبر من، أصغر من.

تم تنفيذ الدائرة بطريقتين مختلفتين:

في الطريقة البنائية (Structural): تم تقسيم الدائرة إلى وحدات صغيرة وكل وحدة لها دور محدد وبعدها تم ربط الوحدات مع بعض لتكوين النظام الكامل.

أما في الطريقة السلوكية (Behavioral): تم توصيف العمليات المختلفة مباشرة داخل الكود على أساس قيمة الـ Opcode.

تم اختبار التصميمين باستخدام testbench وظهرت النتائج في المحاكاة صحيحة وتحقق المطلوب من الدائرة.

بطاقة العمل

اسم المستقل
عدد الإعجابات
0
عدد المشاهدات
1
تاريخ الإضافة
تاريخ الإنجاز
المهارات