تفاصيل العمل

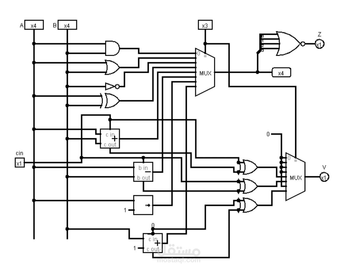
قمتُ بتصميم وتنفيذ وحدة حسابية منطقية (ALU) مكونة من 4 بت تدعم العمليات الحسابية والمنطقية الأساسية. تم التحقق من صحة الوظائف من خلال محاكاة الدوائر باستخدام Multisim وLogisim، وتنفيذها باستخدام SystemVerilog لضمان الكفاءة والدقة.

ملفات مرفقة

بطاقة العمل

اسم المستقل
عدد الإعجابات
0
عدد المشاهدات
7
تاريخ الإضافة
المهارات