تفاصيل العمل

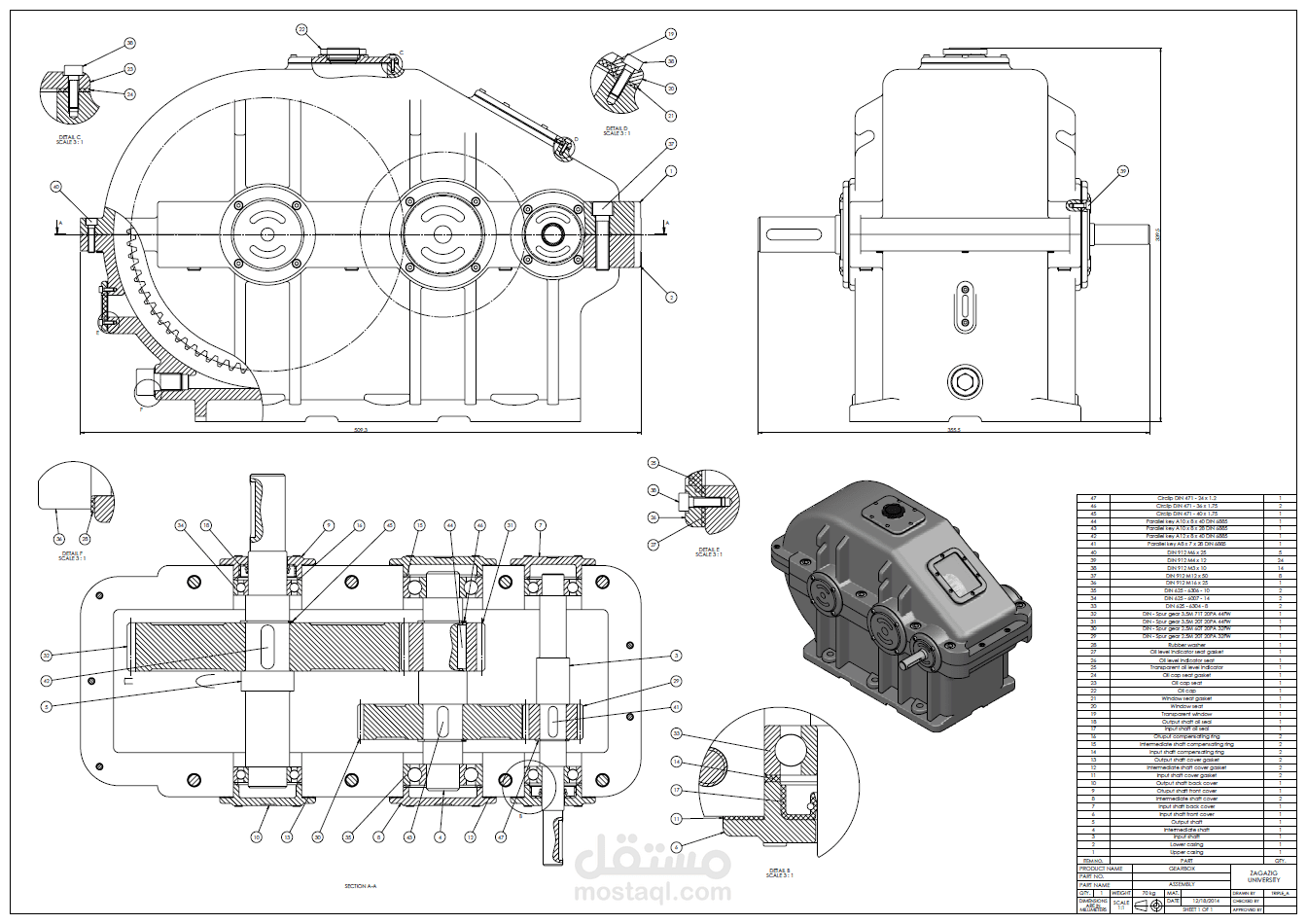
Reduction gearbox with power 3 kw , input speed 700 rpm and output speed 65.48 rpm; it was designed with SW soft.w and calculate all components by use Goodman analysis for shafts and AGMA for gears And Temken Catalog for bearings as well as simulated movement and loads

بطاقة العمل

اسم المستقل
عدد الإعجابات
0
عدد المشاهدات
417
تاريخ الإضافة
تاريخ الإنجاز