تفاصيل العمل

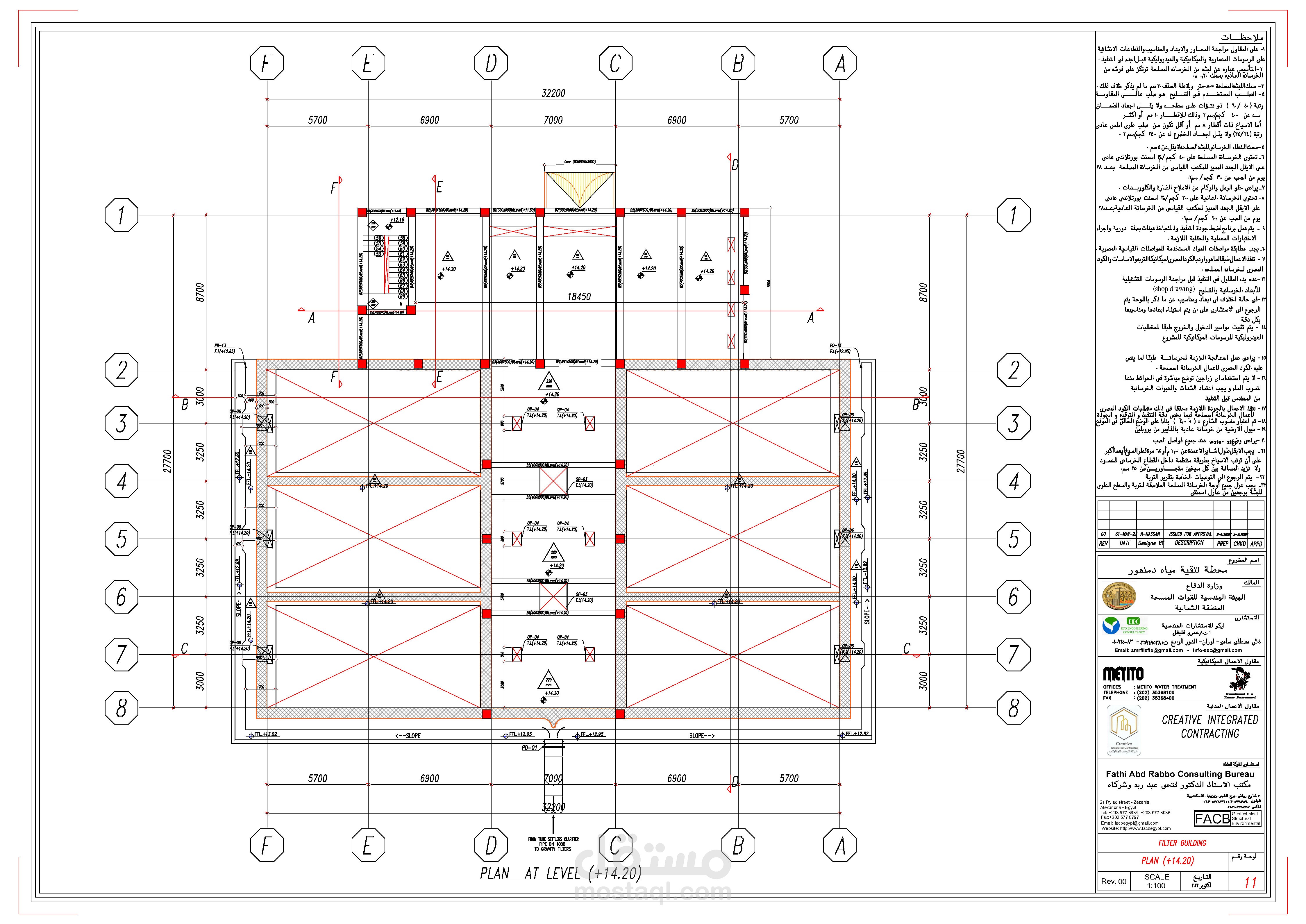
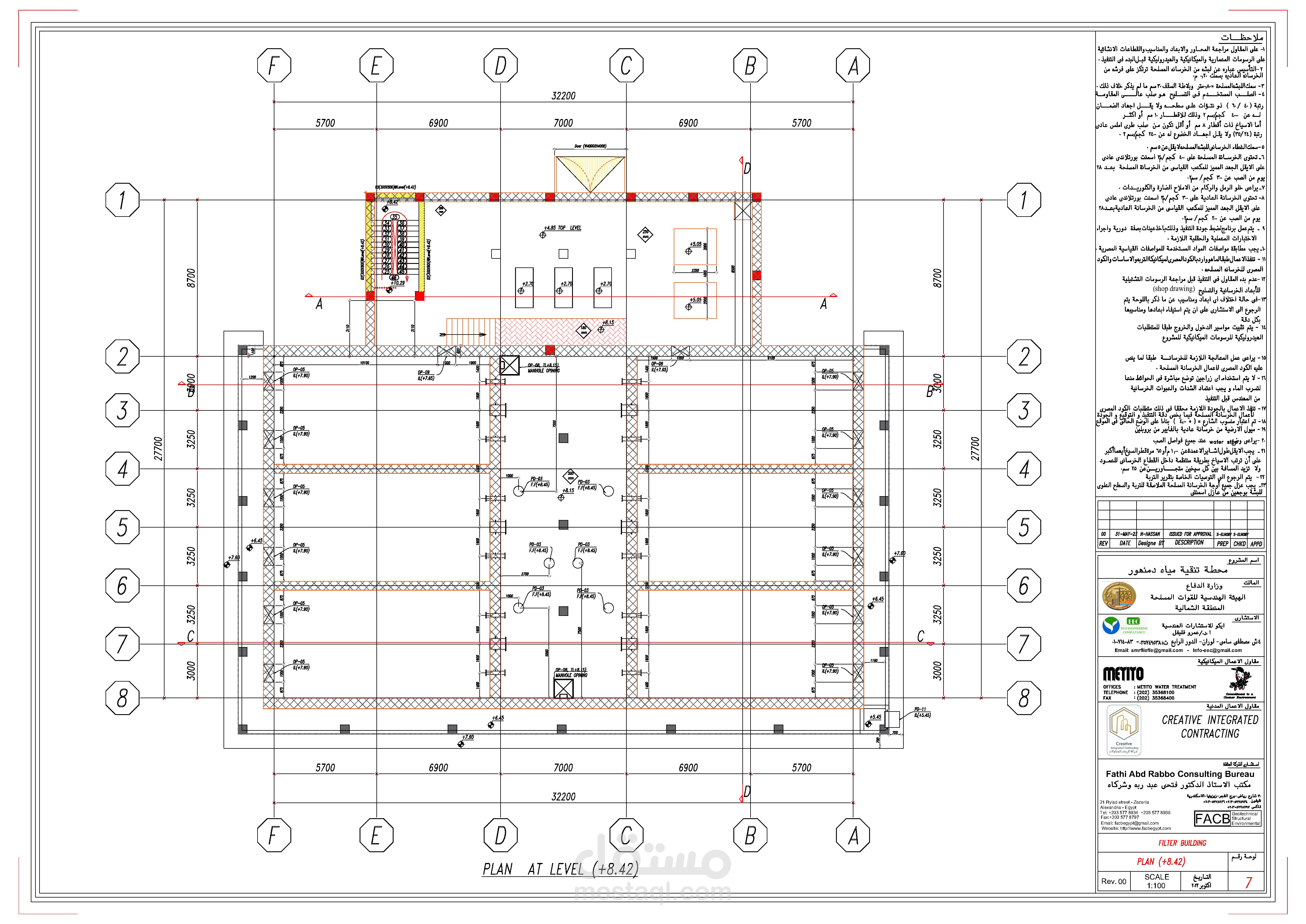
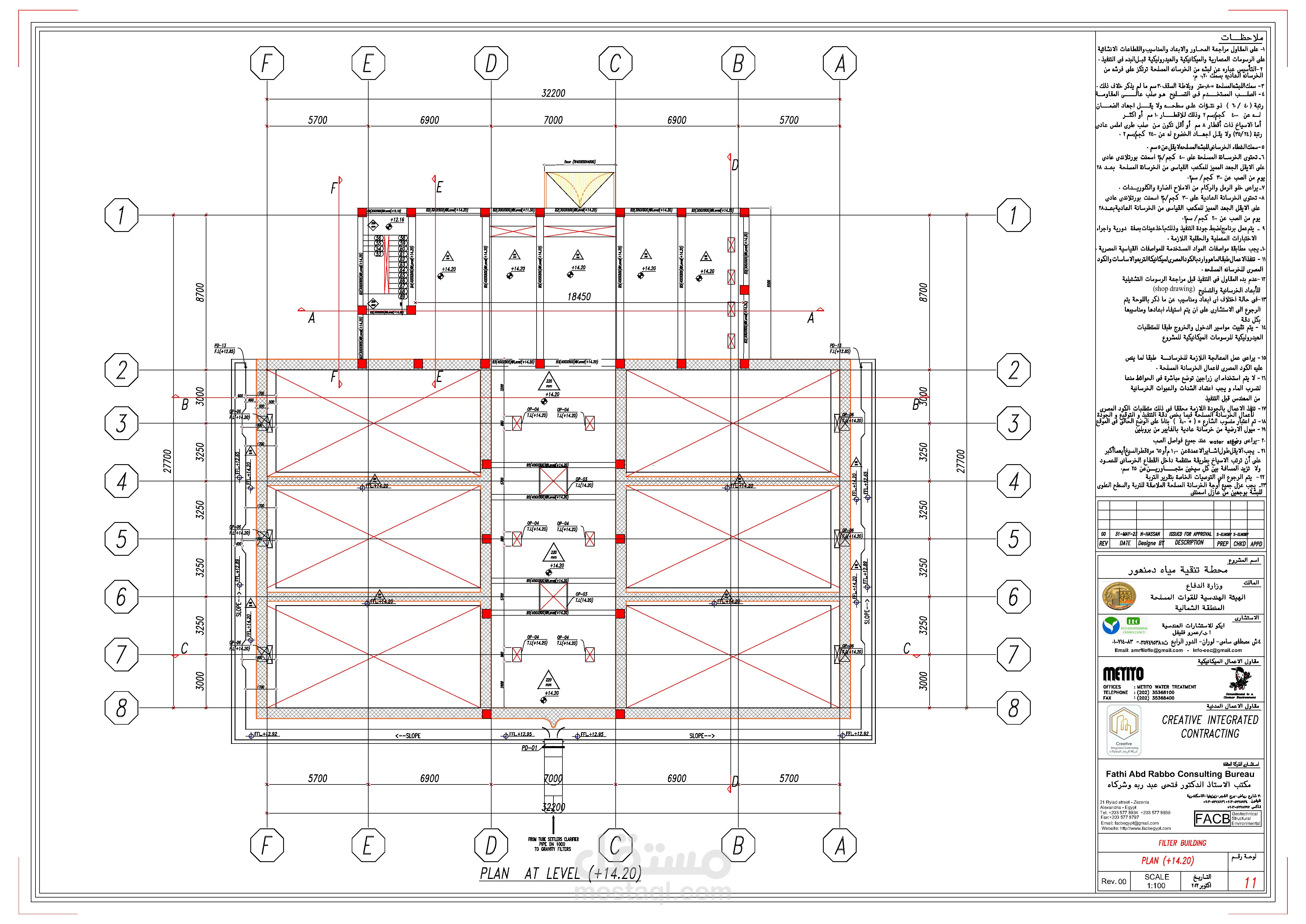
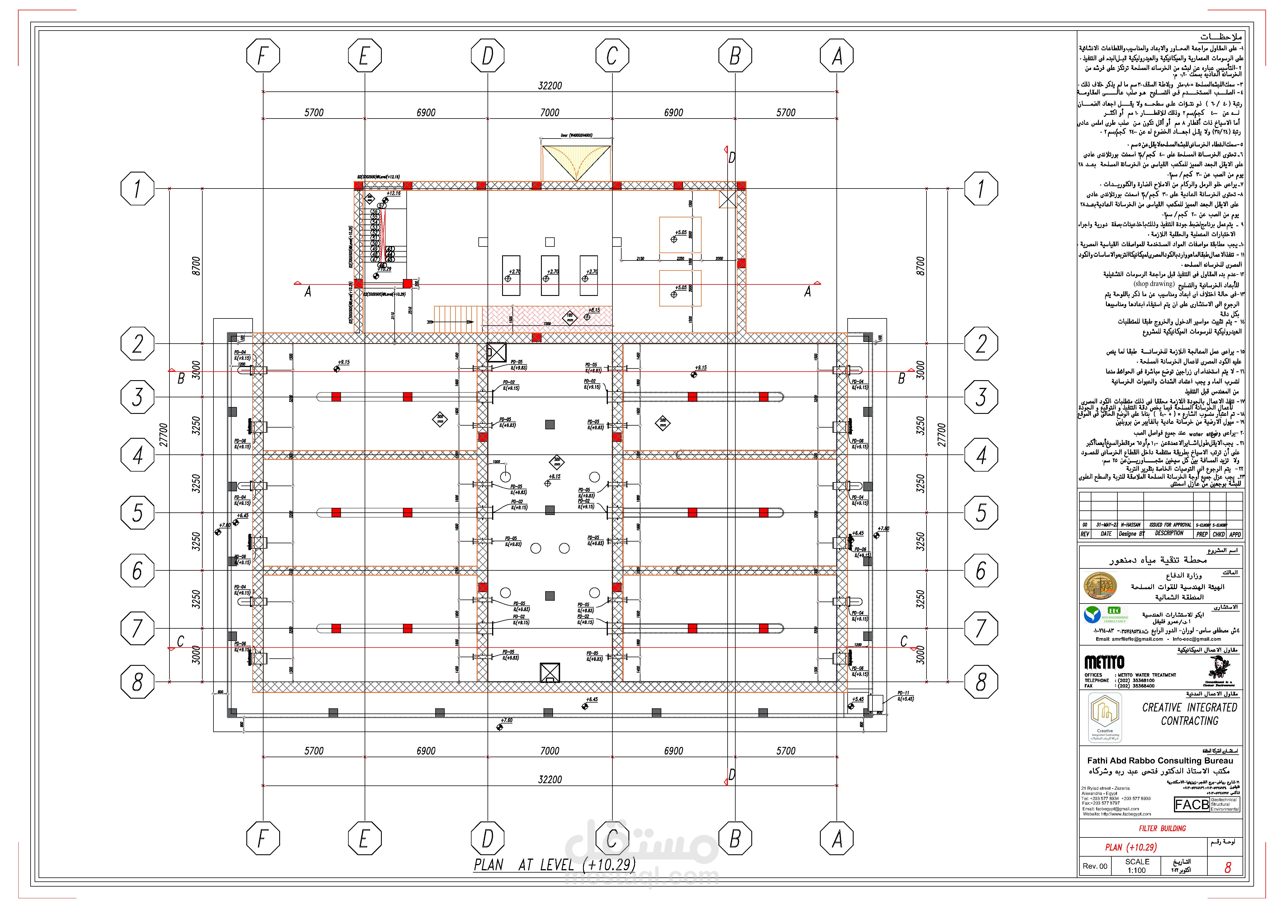
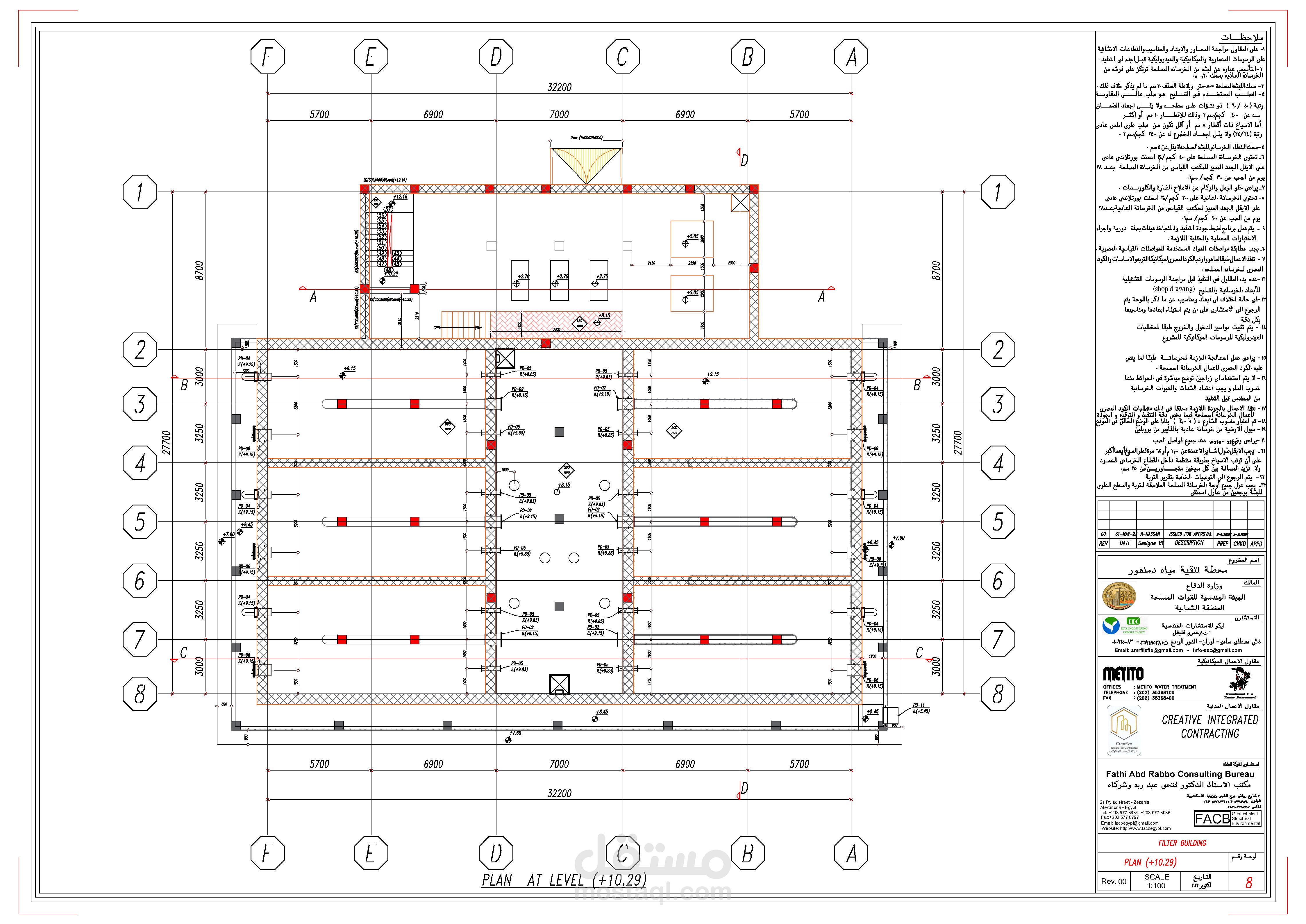
مبني الفلاتر وهو المبني الاهم في محطه معالجه المياه حيث يعمل علب فلتره المياه من العوالق قبل ارسالها لخزان المياه النظيفه

بطاقة العمل

اسم المستقل
عدد الإعجابات
0
عدد المشاهدات
11
تاريخ الإضافة