Implementing 3 Phase BLDC motor position control on MATLAB simulink

تفاصيل العمل

Why would I use Stepper Motor over a brushless DC motor -BLDC- !?

The answer simply is the precision !!.

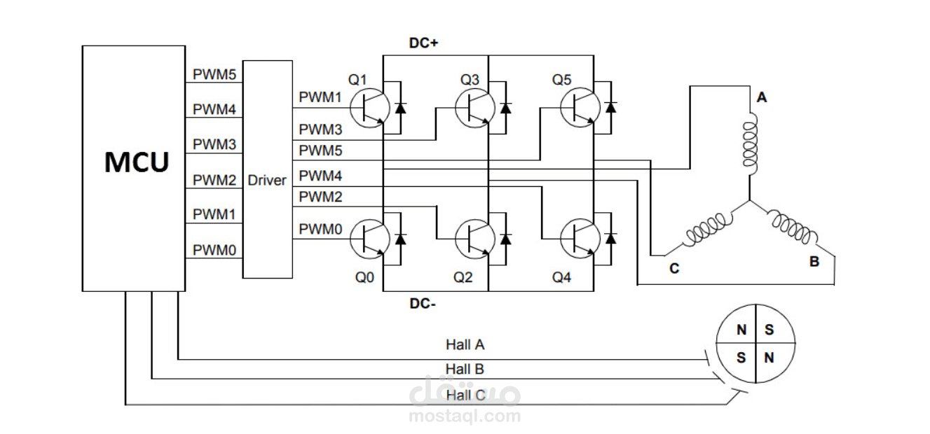
From here I started a journey asking “How to make the BLDC motor precise enough to replace the use of stepper motors.” . The answer now is not in motor itself ,it is in the motor driver.

So I started research to find out which suitable driver could satisfy my needs -BLDC motor position control- ,I tried many drivers ,Even I tried to design my own customised BLDC driver.

At the end I successfully achieved 3 phase BLDC motor position control ,that holds its position with PID control -As shown in the video below-.

It is important to mention that the 9 Watts Nema23 Stepper motor weighs 1047g ,on the other hand the BLDC motor used weighs about 112 g and generates 465 watts as a maximum continuous power.

بطاقة العمل

اسم المستقل
عدد الإعجابات
0
عدد المشاهدات
136
تاريخ الإضافة
تاريخ الإنجاز
المهارات