الرئيسية
المستقلين
Ahmed S.
معرض الأعمال
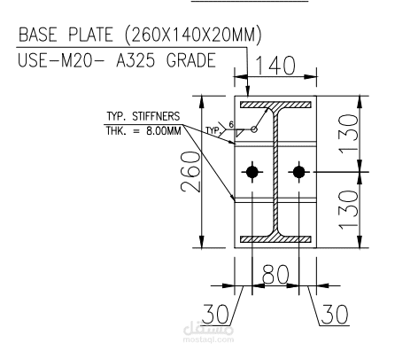
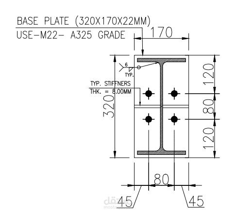
Large Steel structure Whare house facilitie design and shop drawings
معرض الأعمال
اطلب عمل مماثل
تفاصيل العمل
Large Steel structure Whare house facilitie design and shop drawings
بطاقة العمل
اسم المستقل
Ahmed S.
عدد الإعجابات
1
عدد المشاهدات
141
تاريخ الإضافة
01/03/2024
تاريخ الإنجاز
29/02/2024
المهارات
تصميم 3D
أوتوكاد
الهندسة
إيتابس
SAFE
ساب 2000
هندسة مدنية
تصميم هندسي
تصميم إنشائي
×