تصميم كلاسيك كنترول لوحة ستار دلتا 3 محركات يعملون بالتبادل

تفاصيل العمل

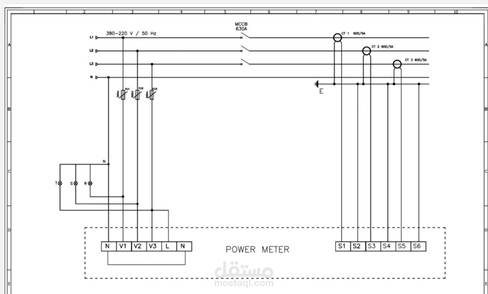
أنا فخور بأن أعرض لكم تصميمًا فريدًا ومبتكرًا لوحة ستار دلتا 3 محركات مدهشة! تم تنفيذها بمهارة وابتكار تامين من قبلي. هذه الوحة الجميلة تتميز بتصميم مبهر وتفاصيل دقيقة، وهي تتضمن اتنين من المحركات العملاقة المتحركة بطريقة تبادلية، ومحرك استاند باي يكون في وضع الاستعداد. تم اختيار المحركات بعناية فائقة وتم تركيبها بإتقان على الهيكل المتين المصمم خصوصا لضمان الاستقرار والأداء المثالي.

1. المواصفات الفنية:

• تم تنفيذ وحة ستار دلتا بأبعاد 120 سم × 120 سم.

• تم استخدام ثلاثة محركات قوية وعالية الأداء للتشغيل.

• تم تجهيز المحركات بنظام تبادل التشغيل بحيث يعمل محركين في وقت واحد، ويكون المحرك الثالث في وضع الاستعداد (استاند باي)

البرامج المستخدمه:

تم تنفيذ وحة ستار دلتا 3 محركات باستخدام برنامج AutoCAD الكهربائي وبرنامج KTS بمهارة واحترافية تامة.

•باستخدام برنامج AutoCAD الكهربائي، تم إنشاء رسومات دوائر كهربائية دقيقة وتوصيلات فعّالة للوحة. تم توفير رسومات واضحة ومفهومة لتيسير عملية التركيب والتوصيل الصحيح للمحركات والأجهزة الكهربائية الأخرى.

•باستخدام برنامج KTS، تم برمجة وتهيئة وحدة التحكم الصناعية وضبط المحركات بدقة. تم تحقيق التوافق الكهربائي اللازم لتشغيل المحركات بسلاسة وتناغم في وضع التبادل ووضع الاستعداد.

بفضل مهارتي في استخدام برنامج AutoCAD الكهربائي وبرنامج KTS، تم تنفيذ الوحة بدقة وفاعلية، وتم تحقيق الأداء المثالي للمحركات.

التنفيذ :

تم تركيب القطع عن طريق شرح عن طريق برنامج الزوم وتم التنفيذ بصوره كامله

ملفات مرفقة

بطاقة العمل

اسم المستقل
عدد الإعجابات
1
عدد المشاهدات
175
تاريخ الإضافة
تاريخ الإنجاز
المهارات