تفاصيل العمل

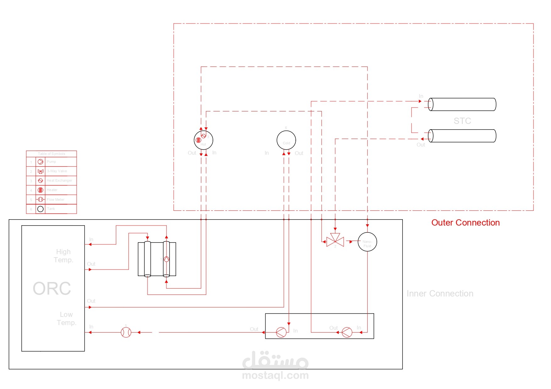
تم رسم مخطط ثنائي الأبعاد 2D لدائرة توصيل مشروع توليد كهربي من الحرارة والطاقة الشمسية باستخدام برنامج AutoCAD.

مزيد من المعلومات والتفاصيل ستتم إضافتها لاحقًا ...

ملفات مرفقة

بطاقة العمل

اسم المستقل
عدد الإعجابات
0
عدد المشاهدات
29
تاريخ الإضافة
تاريخ الإنجاز
المهارات