تصميم جميع أنواع اللوحات الكهربائية ورسم الخرائط وتسعيرها - Design , drawing and budgeting of Electrical panel boards up to 7000A

تفاصيل العمل

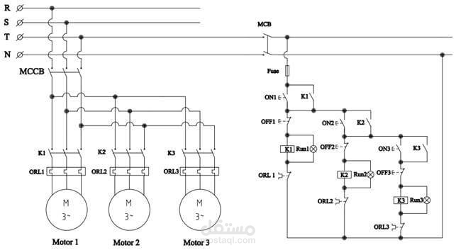
-Electrical Panel Boards, Design & Assembly

Automatic Transfer Switches.

Distribution Panel Boards

Motor Control Centers

Home Automation Systems (KNX,…)

PV Systems (On-grid, Off-grid, Hybrid)

Prepare drawing for layout, power & Control using Autocad

Selection of all products needed to complete panel board

بطاقة العمل

اسم المستقل
عدد الإعجابات
0
عدد المشاهدات
124
تاريخ الإضافة
المهارات