الرئيسية
المستقلين
Talha M.
معرض الأعمال
اطلب عمل مماثل
Architectural and Structural Engineering
تفاصيل العمل
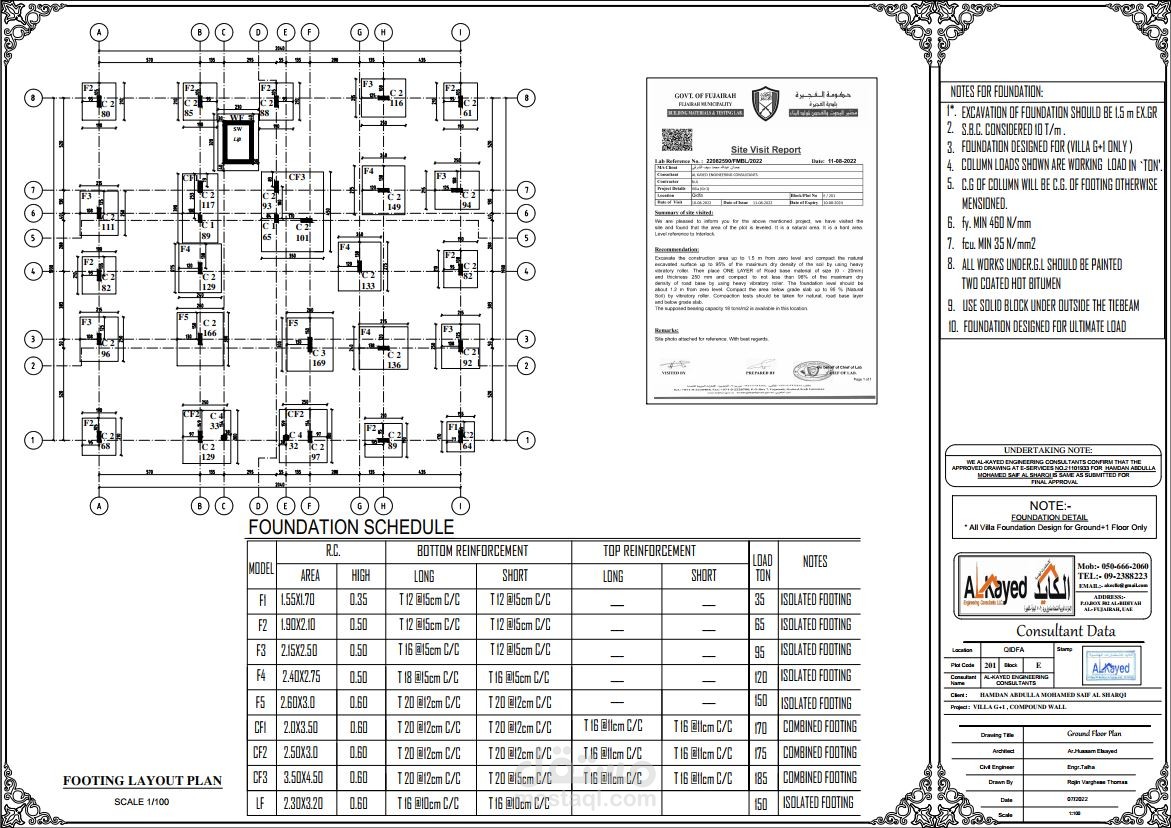
this is a G+1 villa I designed its structure
بطاقة العمل
اسم المستقل
Talha M.
عدد الإعجابات
0
عدد المشاهدات
33
تاريخ الإضافة
06/11/2022
المهارات
أوتوكاد
إيتابس
SAFE
×