تفاصيل العمل

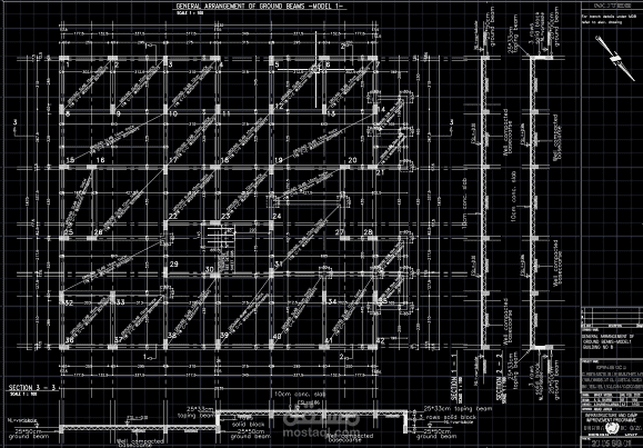
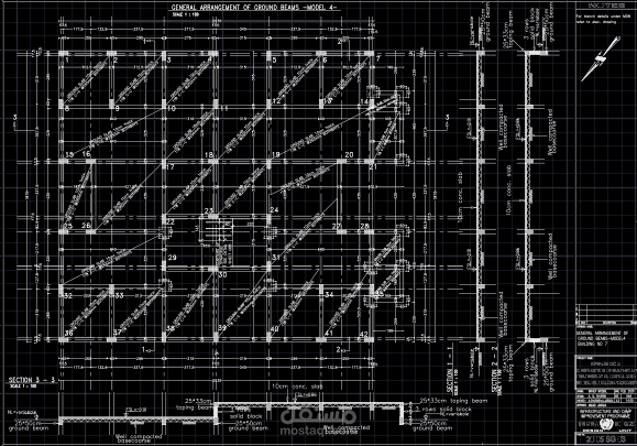
تصميم إنشائي لمبني سكني بكامل تفاصيله الإنشائية من تصميم (قواعد ، أحزمة أرضية ، سقف ،أعمدة ..)بما يتناسب مع طبيعة تصميم المنشآة مرفقا مع العمل السكاشن المطلوبة وشيت الأكسل للحسابات الخاصة بالتصميم .

بطاقة العمل

اسم المستقل
عدد الإعجابات
0
عدد المشاهدات
36
تاريخ الإضافة
المهارات